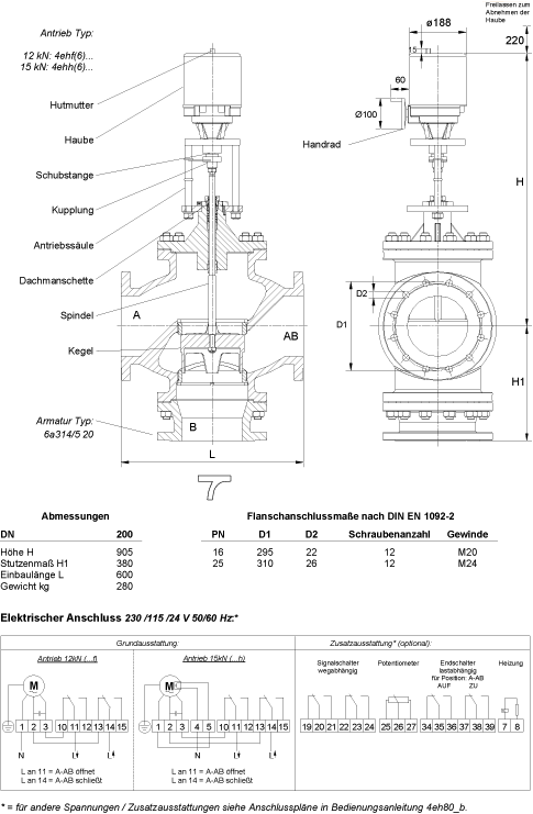
Motorregelventil in Dreiwegeform
mit PTFE-Dachmanschette, DN200
EN-GJS-400-18-LT (GGG-40.3), PN 16 / 25
431 4/5 20Hf/h
Seite 2 von 2
Home
Index
1
2
3
4
5
6
7
8
9
0
Druckversion öffnen
JavaScript is currently disabled.
Please enable it for a better experience of
Jumi
.