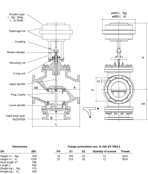
Pneumatic control valve for diverting function
with PTFE-V-ring sealing, DN200
EN-GJS-400-18-LT (GGG-40.3), PN 16/25, with 12-18kN actuator
with PTFE-V-ring sealing, DN200
EN-GJS-400-18-LT (GGG-40.3), PN 16/25, with 12-18kN actuator
332 4/5 20Sf/g/h E
Page 2 of 2
Page 2 of 2



