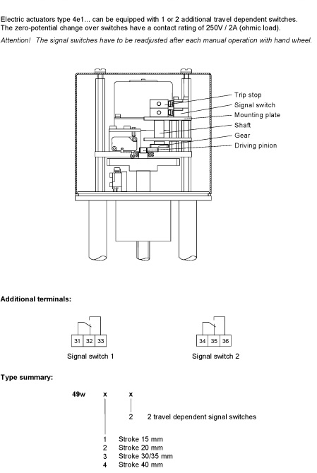
Accessories for electric actuators 4e1...
Additional travel dependent signal switch
49w.. E
Page 1 of 1
Home
Index
1
2
3
4
5
6
7
8
9
0
open printversion
JavaScript is currently disabled.
Please enable it for a better experience of
Jumi
.