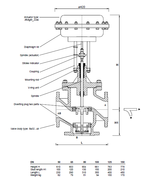
Pneumatic control valve for diverting function
three way form with PTFE-V-ring sealing, DN50-150
PN 16 / 25 / 40, with 14kN actuator
three way form with PTFE-V-ring sealing, DN50-150
PN 16 / 25 / 40, with 14kN actuator
332...Sg E
Page 2 of 2
Page 2 of 2



