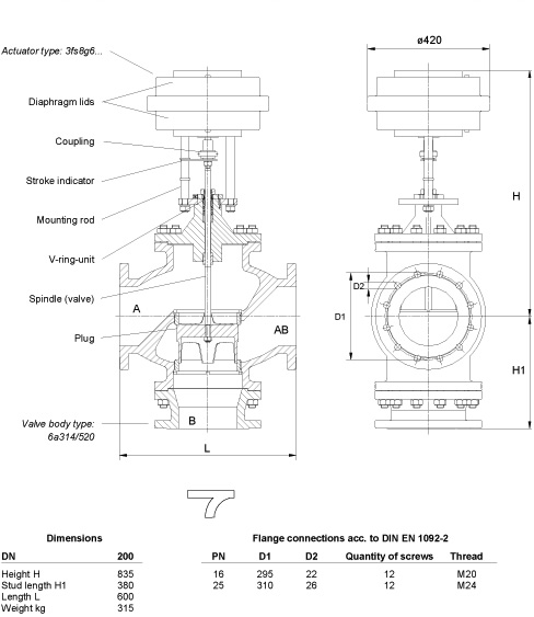
Pneumatic control valve in three way form
with PTFE-V-ring sealing, DN200
EN-GJS-400-18-LT (GGG-40.3), PN 16/25
331 4/5 20Sg E
Page 2 of 2
Home
Index
1
2
3
4
5
6
7
8
9
0
open printversion
JavaScript is currently disabled.
Please enable it for a better experience of
Jumi
.